DSC HU/CM REMOVAL/INSTALLATION


id041500801000

Warning
•  If the DSC HU/CM configuration is not completed, it could result in an unexpected accident due to the DSC being inoperative. If the DSC HU/CM is replaced, always use the automatic configuration function so that the DSC operation conditions are correct.
•  If the DSC related parts sensor initialization procedure is not completed, the DSC will not operate properly and it might cause an unexpected accident. Therefore, after replacing the DSC HU/CM, make sure to perform the DSC related parts sensor initialization procedure to insure proper DSC operation.
Caution
•  The internal parts of the DSC HU/CM could be damaged if dropped. Be careful not to drop the DSC HU/CM. Replace the DSC HU/CM if it is subjected to an impact.
•  Brake fluid will damage painted surfaces. Be careful not to spill any on painted surfaces. In addition, if there is any brake fluid on the wiring harness, the wire insulation may corrode causing a malfunction such as a short circuit. If brake fluid gets on a painted surface or wiring harness, wash and flush it off completely with water immediately.
Note
•  When the ignition is switched to ON or the engine is started after the DSC HU/CM have been replaced, the DSC CM reads data from the instrument cluster via CAN communication to perform automatic configuration.
•  The DSC HU/CM prior to replacement stores the vehicle specification information.
•  A new DSC HU/CM does not store any vehicle specification information.
•  Tighten the brake pipe flare nut using any commercially available flare nut wrench.

1.  Disconnect the negative battery cable. (See NEGATIVE BATTERY CABLE DISCONNECTION/CONNECTION [SKYACTIV-G 2.0, SKYACTIV-G 2.5].) (See NEGATIVE BATTERY CABLE DISCONNECTION/CONNECTION [SKYACTIV-G 2.0, SKYACTIV-G 2.5 (WITHOUT i-stop)].) (See NEGATIVE BATTERY CABLE DISCONNECTION/CONNECTION [SKYACTIV-D 2.2].)

2.  For SKYACTIV-G 2.0 or SKYACTIV-G 2.5, remove the plug hole plate. (See PLUG HOLE PLATE REMOVAL/INSTALLATION [SKYACTIV-G 2.0, SKYACTIV-G 2.5].)

3.  For SKYACTIV-D 2.2, perform the following procedure:

(1)  Remove the engine cover. (See ENGINE COVER REMOVAL/INSTALLATION [SKYACTIV-D 2.2].)
(2)  Disconnect the PCM connector. (See PCM REMOVAL/INSTALLATION [SKYACTIV-D 2.2].)
(3)  Remove the clip from the PCM bracket. (See PCM REMOVAL/INSTALLATION [SKYACTIV-D 2.2].)
(4)  Remove the clip and bolt from the PCM bracket. (See ENGINE MOUNT DISASSEMBLY/ASSEMBLY [SKYACTIV-D 2.2].)
(5)  Remove the PCM component installation bolts. (See ENGINE MOUNT DISASSEMBLY/ASSEMBLY [SKYACTIV-D 2.2].)
(6)  Remove the PCM component.
(7)  Remove the cooler hose (LO) installation nuts. (See REFRIGERANT LINE REMOVAL/INSTALLATION.)
am6zzw00008790
(8)  Remove the wiring harness bracket installation bolts from the No.3 engine mount. (See ENGINE MOUNT DISASSEMBLY/ASSEMBLY [SKYACTIV-D 2.2].)
(9)  Set the PCM harness out of the way.

4.  Remove the bracket.

am6zzw00008791

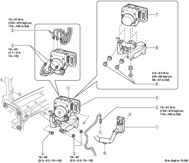
5.  Remove in the order indicated in the table.

6.  Install in the reverse order of removal.

7.  After installation, add brake fluid, bleed the air, and inspect for fluid leakage. (See BRAKE FLUID AIR BLEEDING.)

8.  Perform the following procedure to implement the DSC HU/CM automatic configuration.

(1)  Switch the ignition ON (engine off) and wait for 10 s or more.
(2)  Switch the ignition to off and wait for 3 s or more.
(3)  Switch the ignition ON (engine off) and wait for 3 s or more.
(4)  The automatic configuration procedure is completed.

9.  Perform the DSC related parts sensor initialization procedure (only when replacing it with a new one). (See DSC RELATED PARTS SENSOR INITIALIZATION PROCEDURE.)

10.  Perform the TPMS initialization procedure. (Vehicles with TPMS) (See TIRE PRESSURE MONITORING SYSTEM INITIALIZATION PROCEDURE.)

11.  Clear the DTCs from the memory. (See CLEARING DTC [DYNAMIC STABILITY CONTROL (DSC)].)

Vehicles without smart brake support (SBS) and smart city brake support (SCBS)

am6zzw00008899

1
Connector
2
Brake pipe
3
Nut
4
Bolt
5
DSC HU/CM component
6
Bolt
7
DSC HU/CM
8
Bracket

Vehicles with smart brake support (SBS) or smart city brake support (SCBS)

am6zzw00008900

1
Connector
2
Brake pipe
3
Nut
4
Bolt
5
DSC HU/CM component
6
Bolt
7
DSC HU/CM
8
Bracket


Connector Removal Note

Caution
•  If sand or other particles get into the connector, it may be difficult to remove. In order not to damage the connector, be careful not to use excessive force removing the connector.

1.  Disconnect the connector in the order shown in the figure.

am6zzw00008792


Brake Pipe Removal Note

1.  Place an alignment mark on the brake pipe and DSC HU/CM.

am6zzw00008793

2.  Apply protective tape to the connector to prevent brake fluid from entering.

3.  Disconnect the brake pipes.


Brake Pipe Installation Note

1.  Align the marks made before removal and install the brake pipe to the DSC HU/CM and brake pipe joint referring to the figure.

Vehicles without smart brake support (SBS) and smart city brake support (SCBS)

am6zzw00008794

Vehicles with smart brake support (SBS) or smart city brake support (SCBS)

am6zzw00008795

2.  Tighten the brake pipe to the specified torque using the commercially available flare nut wrench.


Connector Installation Note

1.  Connect the connector in the order shown in the figure.

am6zzw00008796

2.  After connecting the connector, verify that the connector is completely locked.