AUTOMATIC TRANSAXLE REMOVAL/INSTALLATION [FW6A-EL]


id0517h1117200

Caution
•  If the automatic transaxle has been replaced, perform TCM configuration. (See TCM CONFIGURATION [FW6A-EL].)
•  If the automatic transaxle has been replaced, perform initial learning. (See INITIAL LEARNING [FW6A-EL].)
•  Performing the following procedures could cause an open circuit in the front ABS wheel-speed sensor wiring harness if it is pulled by mistake. Before servicing, disconnect the front ABS wheel-speed sensor and set it aside so that the wiring harness will not be pulled by mistake.
•  Secure the steering wheel using tape or a cable to prevent the steering shaft from rotating after disconnecting the steering shaft. If the steering wheel rotates after the steering shaft and the steering gear and linkage are disconnected, the internal parts of the clock spring could be damaged.

Removal

1.  Disconnect the negative battery cable. (See NEGATIVE BATTERY CABLE DISCONNECTION/CONNECTION [SKYACTIV-G 2.0, SKYACTIV-G 2.5].) (See NEGATIVE BATTERY CABLE DISCONNECTION/CONNECTION [SKYACTIV-G 2.0, SKYACTIV-G 2.5 (WITHOUT i-stop)].)

2.  Remove the air cleaner and air hose as a single unit. (See INTAKE-AIR SYSTEM REMOVAL/INSTALLATION [SKYACTIV-G 2.0, SKYACTIV-G 2.5].)

3.  Remove the battery tray and PCM component. (See BATTERY REMOVAL/INSTALLATION [SKYACTIV-G 2.0, SKYACTIV-G 2.5].)

4.  Disconnect the wiring harness clip from the transaxle.

ac5uuw00000219

5.  Remove the splash shield (LH). (See SPLASH SHIELD REMOVAL/INSTALLATION.)

6.  Disconnect the electric AT oil pump connector and electric AT oil pump harness from the transaxle. (With electric AT oil pump)

ac5wzw00000914

7.  Disconnect the control valve body connector.

Caution
•  Make sure that your hand does not touch the terminal as the connector terminal could be damaged.
•  Water or foreign objects entering the connector can cause a poor connection or corrosion. Be sure not to drop water or foreign objects on the connector when disconnecting it.
ac5uuw00000223

8.  Remove the bracket from the transaxle.

ac5uuw00000224

9.  Disconnect the ground cable.

ac5uuw00000220

10.  Disconnect the selector cable from the transaxle. (See AUTOMATIC TRANSAXLE SHIFT MECHANISM REMOVAL/INSTALLATION.)

11.  Remove the selector cable bracket.

ac5uuw00000222

12.  Remove the bracket.

am6zzw00009006

13.  Disconnect the breather hose from the transaxle.

am6zzw00009007

14.  Remove the joint cover. (See STEERING WHEEL AND COLUMN REMOVAL/INSTALLATION.)

15.  Disconnect the intermediate shaft from the steering gear and linkage. (See STEERING WHEEL AND COLUMN REMOVAL/INSTALLATION.)

16.  Remove the front tires. (See WHEEL AND TIRE REMOVAL/INSTALLATION.)

17.  Remove the front under cover No.2. (See FRONT UNDER COVER No.2 REMOVAL/INSTALLATION.)

18.  Remove the front under cover No.1. (See FRONT UNDER COVER No.1 REMOVAL/INSTALLATION.)

19.  Drain the ATF. (See AUTOMATIC TRANSAXLE FLUID (ATF) REPLACEMENT [FW6A-EL].)

20.  Disconnect the oil cooler from the transaxle with the hose connected. (Except Automatic Transaxle Replacement) (See OIL COOLER REMOVAL/INSTALLATION [FW6A-EL].)

21.  Disconnect the water hose from the oil cooler. (Automatic Transaxle Replacement) (See OIL COOLER REMOVAL/INSTALLATION [FW6A-EL].)

22.  Remove the starter. (See STARTER REMOVAL/INSTALLATION [SKYACTIV-G 2.0, SKYACTIV-G 2.5].)

23.  Remove the blind cover.

am3uuw00008313

24.  Hold the crankshaft pulley to prevent drive plate from rotating.

ac4ccw00002081

25.  Remove the torque converter nuts from the starter installation hole.

ac5uuw00000225

26.  Disconnect the front ABS wheel-speed sensors from the steering knuckles. (See FRONT ABS WHEEL-SPEED SENSOR REMOVAL/INSTALLATION.)

27.  Disconnect the clips securing the brake hose from the front shock absorbers. (See BRAKE HOSE (FRONT) REMOVAL/INSTALLATION.)

28.  Disconnect the tie-rod end ball joints from the steering knuckles. (See STEERING GEAR AND LINKAGE REMOVAL/INSTALLATION.)

29.  Disconnect the front lower arms from the steering knuckles. (See FRONT LOWER ARM REMOVAL/INSTALLATION.)

30.  Disconnect the front stabilizer control links from the front stabilizer. (See FRONT STABILIZER REMOVAL/INSTALLATION.)

31.  Disconnect the front drive shaft (LH) from the transaxle. (See FRONT DRIVE SHAFT REMOVAL/INSTALLATION.)

32.  Disconnect the front drive shaft (RH) from the transaxle. (See FRONT DRIVE SHAFT REMOVAL/INSTALLATION.)

33.  Remove the front crossmember component and No.1 engine mount rubber as a single unit. (See FRONT CROSSMEMBER REMOVAL/INSTALLATION.)

34.  Remove the bracket plate and No.1 engine mount bracket component from the transaxle.

am6zzw00014784

35.  Install the SST using the following procedures.

am6zzw00014785

Caution
•  Refer to the SST instruction manual for the basic handing procedure.
(1)  Install one front foot No.2 to each of the left and right front shafts of the SST.
(2)  Protect the positions shown in the area using tape.
am6zzw00009008
(3)  To enable to install the SST, disconnect the clip shown in the figure and set the wiring harness aside.
am6zzw00011385
(4)  Install the SST using part number 99794 1025 or an M10—1.25, length 25 mm {0.98 in} bolt as shown in the figure.

Engine front side

am6zzw00010807
Tightening torque
38—51 N·m {3.9—5.2 kgf·m, 29—37 ft·lbf}

Engine rear side

am6zzw00010808
Tightening torque
38—51 N·m {3.9—5.2 kgf·m, 29—37 ft·lbf}
(5)  As shown in the figure, set the rear shafts of the SST to the left and right front shock absorber nuts.
am6zzw00009009
(6)  As shown in the figure, set the front shafts of the SST to the left and right bolts.
am6zzw00009010
(7)  When assembling the SST (49 L017 5A0), disconnect the fuel hose from the clip shown in the figure to prevent interference between the fuel hose and SST.
ac5uuw00000232
(8)  Install the SST (49 L017 5A0) to the SST (49 C017 5A0) as shown in the figure.
am6zzw00009011
(9)  Install the SST (49 L017 5A0) to the SST (49 UN30 3050) with the hook of the SST (49 L017 5A0) facing outward.
am6zzw00009012
(10)  Adjust the height of the left and right side bars so that they are leveled, then tighten each part of the SST.
(11)  Apply tension to the chain to secure the engine.

36.  Remove in the order shown in the figure.

Warning
•  Improperly jacking a transaxle is dangerous. It can slip off the jack and may cause serious injury.
Caution
•  To prevent the torque converter and transaxle from separating, remove the transaxle without tilting it toward the torque converter.
am6zzw00014786

1
Transaxle mounting bolts (upper side)
2
No.4 engine mount bracket
3
Transaxle mounting bolts (lower side)
4
Transaxle


No.4 engine mount bracket removal note

Caution
•  A slot has been adopted for the No.4 engine mount bracket installation hole. If the No.4 engine mount bracket is deviated from the original position when installing the No.4 engine mount, engine noise or vibration could increase. When removing the No.4 engine mount, place alignment marks on the No.4 engine mount bracket so that they can be assembled to the same positions as before removal.

1.  Place alignment marks on the locations shown in the figure so that they can be assembled to the same positions as before removal.

am6zzw00014787

Note
•  Paint so that the outline of the nut is framed on the bracket side.

2.  Remove the No.4 engine mount bracket.


Transaxle mounting bolt removal note

Warning
•  Remove the transaxle carefully, holding it steady. If the transaxle falls it could be damaged or cause injury.

1.  Adjust the SST and lean the engine toward the transaxle.

am6zzw00009011

2.  Support the transaxle on a jack.

am3uuw00002584

3.  Remove the transaxle mounting bolts (lower side).

4.  Remove the transaxle.


Installation

Caution
•  Verify that the torque converter stud bolts are inserted into the drive plate bolt holes, and install the transaxle installation bolts. Otherwise, the drive plate could be damaged.

1.  Verify that the torque converter stud bolts are inserted into the drive plate bolt holes from the starter installation hole.

am3uuw00008315

2.  Install the transaxle mounting bolts.

am3uuw00009181

Tightening torque
38—52 N·m {3.9—5.3 kgf·m, 29—38 ft·lbf}

3.  Tighten the stud bolts for the transaxle.

ac5wzw00002130

Note
•  If the No.4 engine mount bracket nut is loosened, tighten the stud bolts for the transaxle because they may be loosened.
Tightening torque
15—25 N·m {1.6—2.5 kgf·m, 12—18 ft·lbf}

4.  Install the No.4 engine mount bracket to No.4 engine mount rubber, and temporarily tighten the installation bolt.

am6zzw00014788

5.  Pull up the transaxle using the SSTs, pass the transaxle stud bolts through the No.4 engine mount bracket, and temporarily tighten the No.4 engine mount installation nuts.

am6zzw00014789

6.  Install the No.1 engine mount bracket component and the bracket plate to the transaxle, and temporarily tighten the installation bolts.

am6zzw00014790

7.  Install the bracket to the transaxle and the exhaust manifold using the following procedure:

ac5uuw00004261

(1)  Tighten the bolt A.
8—10 N·m {82—101 kgf·cm, 71—88 in·lbf}
(2)  Temporarily tighten the bolt B and C.
(3)  Tighten the bolt B.
38—51 N·m {3.9—5.2 kgf·m, 29—37 ft·lbf}
(4)  Tighten the bolt C.
38—51 N·m {3.9—5.2 kgf·m, 29—37 ft·lbf}

8.  Install the front crossmember component and No.1 engine mount rubber as a single unit. (See FRONT CROSSMEMBER REMOVAL/INSTALLATION.)

9.  Temporarily tighten the No.1 engine mount rubber installation bolts.

am6zzw00014791

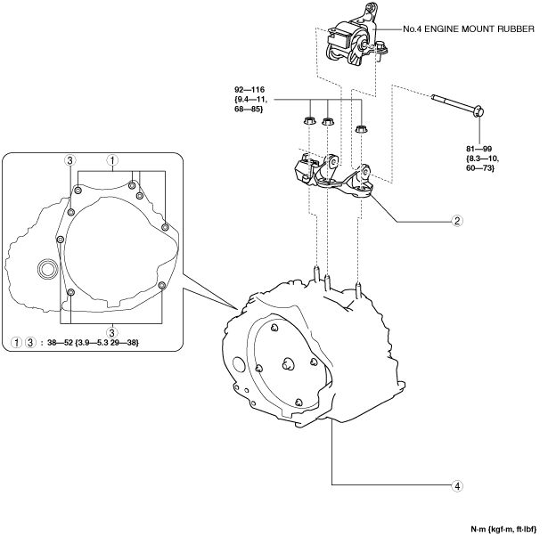
10.  Align the alignment marks on the No.4 engine mount bracket and nuts, and temporarily tighten the nuts shown in the figure.

ac5wzw00004605

11.  Tighten the No.4 engine mount bracket installation nuts and bolt in the order shown in the figure.

ac5uuw00000243

No.

Tightening torque

1, 2, 3
92—116 N·m {9.4—11 kgf·m, 69—85 ft·lbf}
4
81—99 N·m {8.3—10 kgf·m, 60—73 ft·lbf}

12.  Tighten the No.1 engine mount bracket and bracket plate installation bolts in the order shown in the figure.

ac5wzw00002133

Tightening torque
84—98 N·m {8.6—9.9 kgf·m, 62—72 ft·lbf}

13.  Remove the SST (49 C017 5A0, 49 L017 5A0).

14.  Tighten the No.1 engine mount rubber installation bolts in the order shown in the figure.

am6zzw00014792

No.

Tightening torque

1
140—163 N·m {15—16 kgf·m, 104—120 ft·lbf}
2
130—164 N·m {14—16 kgf·m, 96—120 ft·lbf}

15.  Fix the crankshaft pulley to lock the torque converter against rotation.

ac4ccw00002081

Caution
•  After temporarily tightening the torque converter installation nut uniformly, tighten it to the specified torque.

16.  Tighten the torque converter installation nuts.

ac5uuw00000225

Tightening torque
41—54 N·m {4.2—5.5 kgf·m, 31—39 ft·lbf}

17.  Install the blind cover.

am3uuw00008313

18.  Install the starter. (See STARTER REMOVAL/INSTALLATION [SKYACTIV-G 2.0, SKYACTIV-G 2.5].)

19.  Install the front drive shaft (RH) to the transaxle. (See FRONT DRIVE SHAFT REMOVAL/INSTALLATION.)

20.  Install the front drive shaft (LH) to the transaxle. (See FRONT DRIVE SHAFT REMOVAL/INSTALLATION.)

21.  Install the front stabilizer control links to the front stabilizer. (See FRONT STABILIZER REMOVAL/INSTALLATION.)

22.  Install the front lower arms to the steering knuckles. (See FRONT LOWER ARM REMOVAL/INSTALLATION.)

23.  Install the tie-rod end ball joints to the steering knuckles. (See STEERING GEAR AND LINKAGE REMOVAL/INSTALLATION.)

24.  Install the clips securing the brake hose to the front shock absorbers. (See BRAKE HOSE (FRONT) REMOVAL/INSTALLATION.)

25.  Install the front ABS wheel-speed sensors to the steering knuckles. (See FRONT ABS WHEEL-SPEED SENSOR REMOVAL/INSTALLATION.)

26.  Connect the water hose to the oil cooler. (Automatic Transaxle Replacement) (See OIL COOLER REMOVAL/INSTALLATION [FW6A-EL].)

27.  Install the oil cooler to the transaxle with the hose connected. (Except Automatic Transaxle Replacement) (See OIL COOLER REMOVAL/INSTALLATION [FW6A-EL].)

28.  Install the front under cover No.1. (See FRONT UNDER COVER No.1 REMOVAL/INSTALLATION.)

29.  Install the front tires. (See WHEEL AND TIRE REMOVAL/INSTALLATION.)

30.  Install the intermediate shaft to the steering gear and linkage. (See STEERING WHEEL AND COLUMN REMOVAL/INSTALLATION.)

31.  Install the joint cover. (See STEERING WHEEL AND COLUMN REMOVAL/INSTALLATION.)

32.  Connect the breather hose to the transaxle.

am6zzw00009007

33.  Install the selector cable bracket.

ac5wzw00002135

34.  Connect the selector cable to the transaxle. (See AUTOMATIC TRANSAXLE SHIFT MECHANISM REMOVAL/INSTALLATION.)

35.  Install the ground cable.

am6zzw00014793

36.  Install the bracket to the transaxle.

ac5wzw00002136

37.  Connect the control valve body connector.

Caution
•  Make sure that your hand does not touch the terminal as the connector terminal could be damaged.
•  Verify that there is no fluid or foreign matter adhering to the connector before connecting the connector.
•  Insert the connector straight as the connector terminal could be damaged.
•  Rotate the connector lever until a click is heard.
ac5uuw00000223

38.  Connect the electric AT oil pump connector and electric AT oil pump harness from the transaxle. (With electric AT oil pump)

ac5wzw00000914

39.  Install the splash shield (LH). (See SPLASH SHIELD REMOVAL/INSTALLATION.)

40.  Connect the wiring harness to the transaxle.

ac5uuw00000219

41.  Install the battery tray and PCM component. (See BATTERY REMOVAL/INSTALLATION [SKYACTIV-G 2.0, SKYACTIV-G 2.5].)

42.  Install the air cleaner and air hose as a single unit. (See INTAKE-AIR SYSTEM REMOVAL/INSTALLATION [SKYACTIV-G 2.0, SKYACTIV-G 2.5].)

43.  Connect the negative battery cable. (See NEGATIVE BATTERY CABLE DISCONNECTION/CONNECTION [SKYACTIV-G 2.0, SKYACTIV-G 2.5].) (See NEGATIVE BATTERY CABLE DISCONNECTION/CONNECTION [SKYACTIV-G 2.0, SKYACTIV-G 2.5 (WITHOUT i-stop)].)

44.  Add the ATF. (See AUTOMATIC TRANSAXLE FLUID (ATF) REPLACEMENT [FW6A-EL].)

45.  Perform the “TCM configuration” (automatic transaxle Replacement). (See TCM CONFIGURATION [FW6A-EL])

46.  Perform the “Initial Learning” (automatic transaxle Replacement). (See INITIAL LEARNING [FW6A-EL].)

47.  Perform the “Mechanical System Test”. (See MECHANICAL SYSTEM TEST [FW6A-EL].)

48.  Install the front under cover No.2. (See FRONT UNDER COVER No.2 REMOVAL/INSTALLATION.)